
微信掃一掃立即咨詢
產品簡介:
DJ 型帶式真空固定室帶式真空過濾是一機種新型、靈巧、并可連續操作的固液分離設備,同時是一種充分利用物料重力和真空吸力雙重作用力來實現固液分離的機械設備;整機水平方向布置,抽真空時沒有相對運動,密封性更好,真空度更高,最高可達0.07Mpa。配套的母液,洗滌液收集罐,不需要大氣腿即可實現重力排放。運行過程無水外溢,現場更清潔,更安全,工藝性能好。運行過程無水外溢,現場更清潔,更安全,工藝性能好;工作連續,物料在的過濾、洗滌、吸干各區的停留時間可調,加料和濾餅洗滌(并流或逆流洗滌)有多種方法供選擇。適應物料的沉降速度慢,洗滌要求高的場合。操作簡單、運行平穩、維護保養方便。應用范圍廣電廠煙氣脫硫石膏脫水 石油化工 化工工業 冶金、礦石 選礦,尾礦砂處理 食品加工、生物工程 制藥工業 。
產品特點:
適應物料的沉降速度慢,洗滌要求高的場合
驅動能耗低、水能耗低
創新模壓濾室設計
模塊化設計
耐腐蝕材料(可按照客戶的材料要求設計)
高效、高性能
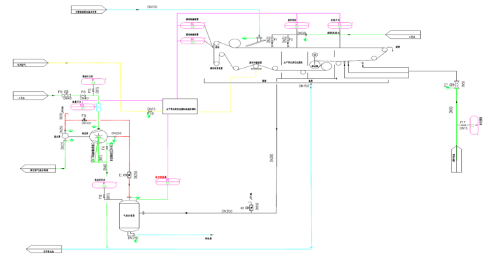
DJ 型帶式真空過濾機工藝流程圖:

提供敞開標準設計外,我們可根據用戶的需求提供以下多種DJ 型帶式真空
過濾機(固定室帶式真空過濾機)1、全密閉外罩 2、氣動、電動驅動 3、特殊材料

服務支持
整體工藝設計:
我們能基于實驗室試驗及小試的測量和分析,確定準確的工藝參數,制定合理的方案與正確的選型。把客戶的投入風險力控到零。
項目施工:
憑借完善的項目管理體系與經驗豐富的高素質團隊,可以為客戶提供一體化的工程服務,并能根據客戶的合同文件開展項目質量、進度、安全、成本、采購、信息檔案、組織協調等管理工作,最終實現項目目標,為客戶提供最佳服務。按照合同約定對工程建設項目的設計、采購、施工、試運行等實行全過程或若干階段的承包,并對承包工程的質量、安全、工期、造價全面負責。
響應時間與售后服務:
在保修期內出現任何由于缺陷造成的故障,我公司給予下列響應承諾:12小時做出響應,72小時內趕赴國內現場。在保修期內有能力提供24小時的響應服務,保證任何時候用戶方都能及時得到幫助。
掃一掃立即咨詢